Denna produkt har ett kampanjpris

Bomvals Trejon Optimal PH220
- Arbetsbredd: 220 cm
- Vikt: 290 kg (exkl. fäste)
- Bultad stänkskärm
- Stödben
I lager
Art: PH220
Sammanställning av val
Totalt:
63 900,00 kr
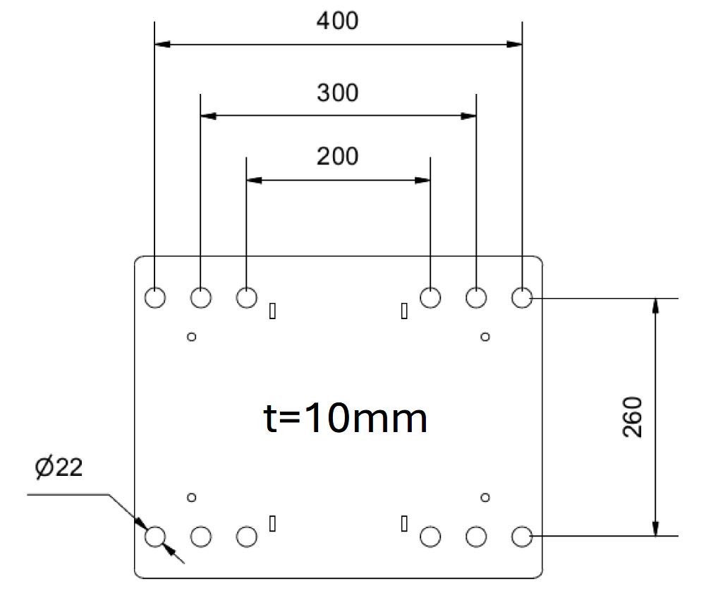
| Parameter | Värde |
|---|---|
| Borstdiameter mm | 900 |
| Arbetsbredd i cm | 220 |
| Mått L x B x H, m | 1,00 x 2,55 x 1,20 |
| Rek. flöde, l/min | 55 |
| Oljetryck BAR, min-max | 160-230 |
| Vikt (exkl. fäste), kg | 290 |
Kundberättelser

3T Entreprenad PH180
Hos 3T Entreprenad är soparbetet en viktig del av vardagen under våren. Upptäck hur Trejon Optimal PH180 och Circulus CX hjälper maskinförarna Peter och Thomas att arbeta snabbare, renare och mer effektivt än tidigare.








